The customer found TITAN through the introduction of a local friend, and the customer sent a picture to inform us that we need this similar semi-trailer. The customer stated that TITAN semi-trailers are very popular locally. The final customer purchased Windmill blade trailer.
Since the wind blade adapter trailer is very dangerous after the blade is installed, there should not be any side slip. Therefore, the requirements of the transportation blade for the road surface cannot be at least soft, and it must be hard before it can be transported. The wind blade adapter trailer is also very strict.

Wind Blade Adapter for Sale In Vietnam Haiphong
There are more than 20 bends on this winding road through which the customer transports the wind blades. The largest bend is less than 90 degrees, commonly known as "elbow bend." When making a turn during the uphill process, you must also take care of meeting cars. Generally, the maximum slope of Panshan Road is only 6-7 degrees. The slopes here are basically 8-10 degrees, which is a huge challenge for the master's transportation technology.
In order to be able to transport this big guy with a length of 70 meters and a weight of 20 tons from Panshan Road to the top of the mountain. Not only drivers, but also team commanders, tooling operators, transportation team captains, and tooling operators are also needed.

Windmill Blade Transport for Sale
The commander of the transport wind turbine blade trailer is responsible for the safety command of the blades in the convoy, and the difficulty of the work is mainly in the corners and mountains. If obstacles and corners are encountered during driving, the driver and operator must be instructed in time.
In the course of driving, the driver of the transport vehicle must communicate in time when encountering an obstacle in front, and after the staff at the back understand the situation, they immediately begin to cooperate with the driver.

Details of Wind Blade Trailer
The tooling hand is mainly responsible for blade steering. With it, when the car is turning, the blades can move up and down and left and right to avoid obstacles that may collide.
In addition to the tooling hand, there is a special type of work in this kind of transportation-the rear wheel operator, who is mainly responsible for the steering of the 4 rows of 32 wheels at the rear of the transportation wind blade adapter trailer.
Windmill blade trailer for transport rotor blade, wind blades, e-138 e2 rotor blade. That is the best solution to avoid obstacles, such as buildings and trees effectively, especially running on steep hills or narrow winding mountainous roads.

Wind Blade Trailer Price for Sale
Hauling wind turbine blades mainly includes wind blades, nacelles, e-138 e2 rotor blades, hubs and towers, and each component is an over-limit item for ordinary road transportation, which requires professional wind turbine blade transport trailer for transportation and assemble a wind turbine. So wind turbine transportation companies need a windmill blade trailer for sale.
For wind blades, the length is extremely long, which becomes the main feature that distinguishes it from other equipment. Considering the particularity of wind turbine blade trailer length, the currently constructed mountain wind farm transport generally use wind turbine blade transportation combined with high-power tractors to complete the transportation of wind turbine blades.
Reliable and Efficient. Constructed of high yield strength material, telescopic trailers are reliable in terms of safety and general transportation needs.

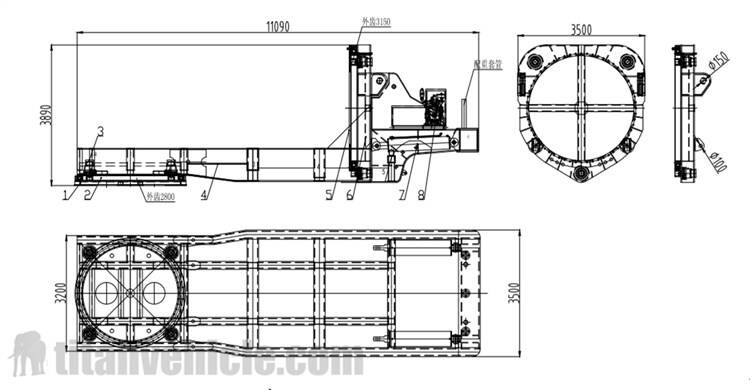
Drawing of Windmill Blade Trailer
It’s easy to use. The trailer comes in a simple design that is easy to use and operate either hands-on or remotely. Loading and offloading cargo are made safe and simple for operators to manage the operations in an effortless manner.
It can transport other kinds of oversized cargoes, not only the blades and tower. Therefore, the user can put the trailer into many other uses other than for transporting wind turbine blades.
One notable advantage of this wind turbine trailers is that it is a better match for different sizes of the tower. Therefore, users are not limited to a specific type and size of the tower.